Contexto
Las redes de comunicación son la columna vertebral de las sociedades digitales modernas.
Desde nodos centrales hasta estaciones base, la transmisión continua de datos depende de la disponibilidad del suministro eléctrico.
Retos de integración
Facilitar la selección e instalación del hardware
Recopilar y transferir datos
Optimizar los costes del proyecto
Suministrar el proyecto sin demoras
Retos operativos
Maximizar la disponibilidad del suministro eléctrico
Supervisar los sitios de forma remota
Subfacturar equipos de clientes
Optimizar el uso de energía
Optimizar el mantenimiento

Nuestras soluciones

En cada paso del proceso

La innovación es la base de nuestras soluciones. Nuestro objetivo es satisfacer sus necesidades en cada paso de su proyecto.

Imagen
Schéma nœud de télécommunications
1
2
3
4
Imagen
Schéma nœud de télécommunications
1
2
3
4
Imagen
Schéma nœud de télécommunications
1
2
3
Imagen
Schéma nœud de télécommunications
1
2
3

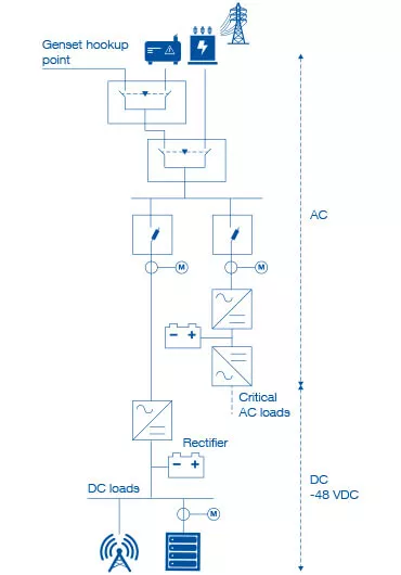
Diseño

1
Maximizar la disponibilidad del suministro eléctrico
  • Transferencia de transición abierta segura entre suministros
  • Mantenimiento y prueba de ATS sin interrupción de la carga (bypass)
  • La mejor redundancia de suministro

Más acerca de la gama ATyS

Más acerca de la gama de bypass de ATS

 

2
Supervisión de la calidad del suministro eléctrico
  • Análisis de la calidad del suministro eléctrico de la instalación según IEC TR 63191
  • Alarmas, localización e identificación de averías
  • Retroadaptación sencilla de los puntos de medición en una instalación existente

Más acerca de DIRIS A-40

Más acerca de la gama DIRIS Digiware CA

3
Suministro eléctrico de CA seguro y disponible
  • SAI modular para un suministro eléctrico seguro
  • Aumento del suministro eléctrico al crecer la carga sin tiempos de inactividad
  • Mantenimiento fácil sin tiempos de inactividad gracias a su construcción modular

Más acerca de MODULYS GP

4
Optimice el uso de energía y la asignación de costes
  • Cálculo de la PUE
  • Retroadaptación sencilla de los puntos de medición en una instalación existente
  • Análisis y asignación del consumo

Más acerca de la gama DIRIS Digiware CC

Diseño

1
Maximizar la disponibilidad del suministro eléctrico
  • Transferencia de transición abierta segura entre suministros
  • La mejor redundancia de suministro
  • Proporcionar redundancia para generador: conexión temporal
  • Posibilidad de transferencia de transición manual cerrada

Más acerca de las gamas ATyS

Más acerca de las gamas SIRCOVER

 

 

2
Supervisar los sitios de forma remota
  • Conexión del sitio sin cables (GSM o Lora)
  • Visualización y análisis de datos (Webview, Socomec cloud EMS)
  • Retroadaptación sencilla de los puntos de medición en instalaciones existentes

Más acerca de la gama DIRIS Digiware

3
Suministro eléctrico a medida para aplicaciones perimetrales
  • Rendimiento completo hasta 40 °C sin desclasificación
  • Aplicación SOLIVE UPS para el control remoto y la notificación de anomalías
  • Ahorros energéticos: 96,5 % en modo VFI y 99 % en modo "ECO"

Más acerca de MASTERYS GP4 RK

4
Optimice el uso de energía y la asignación de costes
  • Sistema de medición modular de CC
  • Cálculo de la PUE
  • Retroadaptación sencilla de los puntos de medición en una instalación existente

Más acerca de la gama DIRIS Digiware CC

Seleccionar

El desafío:

  • Cargas críticas de CA y CC
  • Supervisión de cargas de CA y CC dentro de la misma instalación
  • Retroadaptación de la supervisión en una infraestructura existente

 

La propuesta de Socomec

1
Software de selección de interruptores de transferencia

Encuentre el interruptor de transferencia óptimo para su instalación

  • Cree una cuenta para recibir documentos de diseño editables y precios
  • Introduzca sus especificaciones para crear un diagrama de sistema y una lista de piezas

Cree un nuevo proyecto

2
UPS eRULER (todos los SAI)

Concrete la red eléctrica y planifique la sala eléctrica

  • Acceda a la información técnica del producto que necesite
  • Introduzca sus especificaciones para calcular la protección, el cableado y las dimensiones

Cree un nuevo proyecto

3
Software de selección de contadores

Encuentre el sistema de contadores óptimo para su instalación

  • Cree una cuenta para recibir documentos de diseño editables y las tarifas
  • Introduzca sus especificaciones para crear un diagrama de sistema y una lista de piezas

Cree un nuevo proyecto

Integrar

El desafío: la máxima disponibilidad para los sitios remotos

Los equipos críticos que se encuentran en sitios remotos suponen desafíos únicos para los equipos encargados de maximizar su disponibilidad. La conectividad simplificada permite a los clientes de Socomec supervisar y anticipar los requisitos de mantenimiento.

 

La propuesta de Socomec

1
Pasarelas con cableado seguro o sin cableado
  • Pasarela multiprotocolo
  • Funciones de ciberseguridad preinstaladas
  • Servidor web incorporado para la supervisión y gestión básicas del suministro eléctrico
  • Conectividad inalámbrica por medio de Lora

Más acerca de DIRIS Digiware M

2
Supervisión remota del SAI; mantenimiento preventivo
  • Restablezca sus sistemas en tiempo récord
  • Mejore el rendimiento futuro

Más acerca de SoLink

3
Opciones de retroadaptación flexibles para CA y CC
  • Sensores de corriente retroadaptables de 50 a 6000 A
  • Permiten que las instalaciones heredadas se beneficien de las últimas tecnologías
  • Precisos y fáciles de conectar

Más acerca de los sensores de corriente de CC

Nos experts à côte de chez vous
Retrouvez nos agences commerciales proches de chez vous
Image
ui/Thin/chat-faq
¿Alguna pregunta?
Póngase en contacto con nuestros expertos para obtener ayuda personalizada